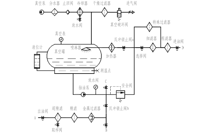
真空濾油機系統功能組成和結構介紹
真空濾油機結構圖

其作用為將油液進行先期過濾。粗濾器40~100μ,細濾器20~40μ,專用過濾器20~40μ。專用過濾器根據用戶的特殊要求而設置,如增設一化學劑入口以除去油液的酸性或堿性;采用線隙式或玻釬濾布結構以消除油液泡沫。使用時應關閉選擇閥。
2 .真空抽氣系統:真空泵、分水器、單向閥和冷卻器組成。
其功能為將真空罐內抽成真空負壓(一般為380~610毫米汞柱或更低),使油液中水分能在較低溫狀態下揮發;抽出的水蒸汽經冷卻器和分水器冷凝、析出;單向閥防止真空泵反轉。分水器和單向閥不能采用一般的氣動元件,必須采用適合在負壓下工作的氣動元件。冷卻器一般為塔式結構,容積較大,內裝親水性能好、耐高溫、耐腐蝕、全濕比表面積大的多面空心聚丙烯塑料球。從真空罐抽出的濕熱氣體沿塔壁切向斜下進入塔內,流速急劇減慢并形成向下的渦旋氣流,遇聚丙烯塑料球后流速進一步減慢,迅速冷凝成水滴。
3 .真空破壞系統:由進氣閥,干燥過濾器和真空破壞閥組成。
其作用為補充空氣,降低真空度。在真空負壓下,水蒸汽含量容易飽和而很難抽出,應周期地補充空氣,破壞水蒸汽的飽和度,使水蒸汽不斷揮發于真空罐內以方便抽出。真空破壞閥的通斷由液位控制器的信號控制。干燥過濾器用在過濾精度較高和空氣中濕度高的地區,在過濾器中加入氯化鈣、苛性鈉、苛性鉀、硅膠、鋁膠等干燥過濾劑以除去所補充空氣的濕度。
4 .真空噴淋系統:由加熱器、真空罐、噴淋器、溫控器和液位計組成。
其作用為將油液加溫到一定溫度,然后將油液噴淋出,使油液中的游離水、乳化水和溶解水揮發于真空罐中。加熱器有蛇形鎧裝加熱管直接在罐內加熱方式,此方式熱效率較高;多直管串聯加熱方式,此方式因便于維修加熱管而常用。箱式遠紅外加熱方式,此方式油液加溫均勻,油液不會因接觸高溫加熱管而產生碳化物和降低油液使用性能的熵變等現象。噴淋器為均勻布滿φ1~φ2小孔的淋蓬或噴淋管,因小孔容易易堵塞,故噴淋器應能方便拆卸。溫控點測得油溫后,通過溫控器控制加熱器通斷電,使油溫控制在45 oC ~75 oC。液位控制器有浮球式,罐外浮子感應式和紅外控制式。液位設置4個控制點,上極限位停真空泵,避免油液竄入真空泵;下極限位停抽油泵,避免油泵空吸;中上位打開真空破壞閥,中下位關閉真空破壞閥,一般僅設中上、中下兩個位置。真空罐是濾油機的心臟,它的容積較大,罐內填充一定高度的親水性佳、耐腐蝕填充物,如聚丙烯塑料球等,以加速水分揮發。國外Pall公司是在真空室內設置一高速轉盤,利用離心力使每單位體積油液具有巨大的表面積以提高除水率而勿需加熱。
5 .出油過濾系統:由抽油泵、安全閥,金屬過濾(10~20μ),精過濾(5~10μ),超精過濾器(1~5μ)組成。
主要功能是將油液從真空罐中抽出,再經多次精過濾后回到工作箱(罐)中。抽油泵一般應選用自吸真空度大的液壓裝置,如齒輪泵、螺桿泵等,抽油泵的公稱排量即為濾油機的主參數——公稱流量,也是濾油機設計計算的主要參數。金屬過濾器濾芯為帶磁性的濾芯,以去除油液中的金屬微粒;精過濾和超精過濾一般為燒結式或玻釬聚結式、無紡材料濾芯,過濾器濾芯的過濾能力必須為抽油泵公稱排量的3~5倍。當濾芯堵塞后安全閥自動打開,以保護抽油泵和過濾裝置。
6 .反沖系統:當油壓表達到并超過一定讀數后(0.25MPa),指示燈亮報警,表示出油濾芯已嚴重堵塞,此時應動用反沖系統清洗濾芯。反沖能去除濾芯上累積的污染物,使濾芯能重復使用,延長了濾芯的壽命。
用一根軟管將C、A口接通,關閉反沖鎖止閥b,打開出油閥A和閥B、閥C,開啟抽油泵,壓力油從C經A口后,對出油系統各過濾器閥芯實施反沖,然后經B口排出。
關閉反沖鎖止閥a、b和選擇閥,打開進油閥D和真空破壞閥,開啟抽油泵,壓力油打開安全閥后反沖各進油過濾器,然后經D口排出,實現各進油過濾器閥芯的反沖。各過濾器的油液出口應布置在罐壁的切向上,這有利于反沖時形成渦旋紊流以提高反沖效果而不至于沖壞閥芯。